Zaplanuj Dom prowadzi inwestora od formalności i projektu domu do wyboru wykonawcy i przygotowania startu budowy.

Szybki kontakt

Telefon:
886 887 572
Obsługa:
Cała Polska, 100% online
Umów konsultację
Projekt domu Zx103 bG
Projekt domu

Zx103 bG

Wersja projektu Zx103 bez garażu.

Z poddaszem Płaski Bez garażu Nowoczesny
Opis projektu

Projekt w skrócie.

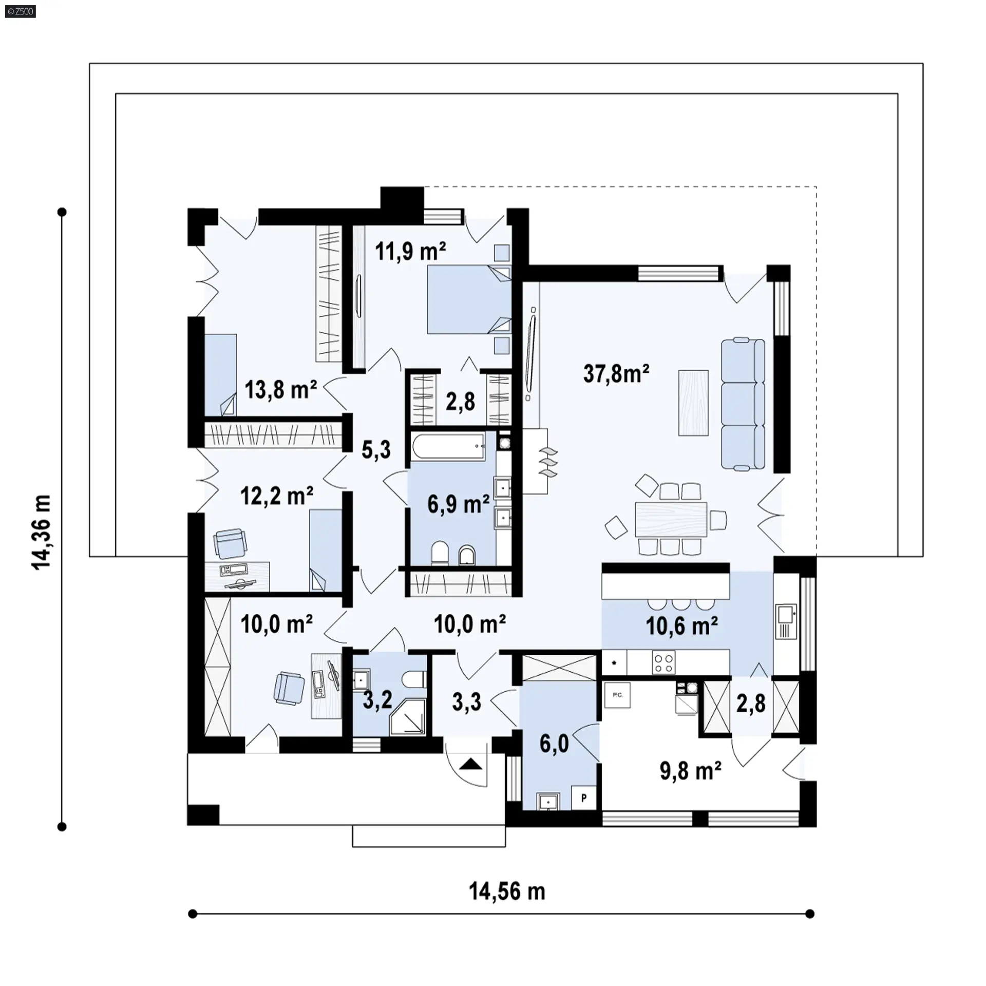
Zx103bG to zgrabny parterowy dom w nowoczesnym stylu. W porównaniu do wariantu Zx103 nie posiada garażu, ale dzięki temu zyskał doświetlone pomieszczenie gospodarcze z wyjściem na taras. Prosta, kubiczna bryła z płaskim dachem oraz naturalne elementy wykończenia elewacji dodają mu elegancji i wdzięku. Na 146m² zaprojektowano wygodne i funkcjonalne wnętrze. Strefa dzienna to obszerny niemal 40m² salon połączony z częściowo otwartą kuchnią i wyjściem na zadaszony taras. Dużym atutem projektu jest prosta konstrukcja i liczne ścianki działowe, co pozwala niemal dowolnie dopasować powierzchnie pomieszczeń.  W strefie wejściowej zaplanowano miejsce na dużą szafę oraz małą łazienkę i pokój, który może pełnić funkcję gościnnej sypialni lub gabinetu. Z sieni dostępna jest także pralnia z oknem. Dalej wydzielono część nocną z trzema sypialniami oraz ogólnodostępną łazienką. Jeden z pokoi posiada własną sporą garderobę. Zx103bG to ciekawa propozycja dla zwolenników nowoczesnego stylu. Połączenie jasnego tynku i drewna oraz prostych form zadaszenia tarasów tworzą spójną całość o wysokiej estetyce. 


Kondygnacje
Z poddaszem
Sypialnie
3
Łazienki
2
Salon
37,76 m²
Powierzchnia użytkowa / netto
136,41 m² / 146,2 m²
Minimalna działka
22,56 m × 22,36 m
Ogrzewanie
kocioł na gaz
Wentylacja
mechaniczna (rekuperacja)
Pokrycie dachu
folia PVC / papa bitumiczna
Cena projektu
6 840 zł
Układ i działka

Rzuty i plan działki.

Parter, poddasze i podstawowe dane działki w jednym miejscu.

Parametry projektu

Parametry techniczne.

Najważniejsze dane techniczne, technologia i instalacje.

Powierzchnia i wymiary
Powierzchnia użytkowa / netto
136,41 m² / 146,2 m²
Powierzchnia zabudowy
184,57 m²
Powierzchnia dachu
171,79 m²
Wysokość domu
4,3 m
Kubatura
409,29 m³
Kąt nachylenia dachu
Minimalne wymiary działki
22,56 m × 22,36 m
Szerokość elewacji frontowej
14,56 m
Głębokość budynku
14,36 m
Technologia i konstrukcja
Technologia
murowany
Materiały ścian
beton komórkowy / ceramika
Pokrycie dachu
folia PVC / papa bitumiczna
Konstrukcja dachu
żelbetowy (stropodach)
Konstrukcja stropu
żelbetowy
Układ kondygnacji
Z poddaszem
Garaż
Bez garażu
Instalacje i energia
Instalacja grzewcza
kocioł na gaz
Instalacja CWU
kocioł na gaz
Rodzaj wentylacji
mechaniczna (rekuperacja)
Energia pierwotna (EP)
63,11 kWh/m²/rok
Energia końcowa (EK)
50,84 kWh/m²/rok
Koszt budowy

Koszty etapów budowy.

Etap Ceny średnie Ceny minimalne
Do stanu zero 128 267 zł 119 274 zł
Do stanu surowego otwartego 467 796 zł 435 002 zł
Do stanu surowego zamkniętego 596 063 zł 554 276 zł
Instalacje 89 409 zł 83 142 zł
Prace wykończeniowe 268 228 zł 249 425 zł
Razem 953 700 zł 886 843 zł
  • Czas trwania 60 minut
  • Dostępność Poniedziałek - sobota
    10:00 - 19:00
  • Forma spotkania Google Meet

Przed spotkaniem nasz doradca skontaktuje się z Tobą, aby potwierdzić termin konsultacji.

Nie chcesz czekać? Napisz do nas na WhatsApp.

Napisz na WhatsApp
Kalendarz

Umów bezpłatną konsultację.

Europe/Warsaw
Ładowanie...
Dostępne godziny

Wybierz dzień w kalendarzu.